Обкладка камнем позволяет в разы уменьшить излучение получаемое от металла печи, при этом камень прекрасно аккумулирует тепло и сохраняет его на протяжении длительного времени.
Модель 2020 года. Стильная, недорогая печь на ножке для небольших парных с объемом до 12 куб. метров. Компактная, интерьерная с закрытой каменкой и системой паровых пушек.
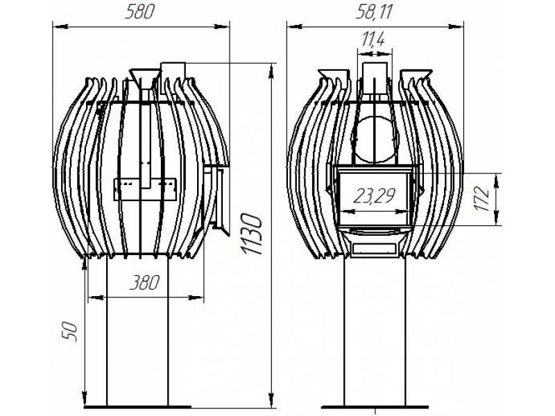
Печь для бани с самым необычным дизайном. В конструкции печи предусмотрена закрытая каменка, которая способна создать достаточного количество мелкодисперсного пара. На боковые стенки печи установлены емкости для парогенерации.
До 120 кг камней. Разработана специально для парных объемом от 5 до 14 кубов.
Если в конвекционных моделях воздух в парной нагревается за счет воздушных потоков проходящих между корпусом печи и рубашкой, то в печах с внешней сеткой для камней сначала разогреваются камни, которыми обложена топка печи, а затем уже воздух. Поэтому печи такого типа требуют больше времени на протопку из-за большой емкости камней, но и держат тепло существенно дольше. Еще одним плюсом такой закладки камней является отсутствие неприятного ИК излучения от раскаленного металла и уменьшенные пожаро-безопасные расстояния до деревянных конструкций.Банная печь с закрытой каменкой. В Терма Каменке камни закладываются не только по периметру топки, но и в, так называемую, "закрытую каменку", где они разогреваются до более высоких температур чем внешние. А чем выше температура камней, тем легче пар, который получается мягким и мелкодисперсным. Максимальная площадь соприкосновения нагретых элементов печи с камнем – около 1.3 м2.
![]()
Банная печь с закрытой каменкой
Камень в закрытой каменке нагревается до более высокой температуры, чем в открытой каменке. Это позволяет получить мягкий мелкодисперсный пар. Камень закладывается в специальный карман с дверцей, находящийся внутри печи.
Камни, закладываемые внутрь печи (около 70 кг), нагреваются сильнее чем в печах с открытой закладкой и на выходе получаем режим, приближенный к русской бане. Открыванием дверцы можно регулировать температуру в парной по своему желанию.
Печь для русской бани должна быть закрытой каменкой, чтобы камень нагревался до высокой температуры. Но не менее важно, чтобы камень был в достаточном количестве (не менее 100 кг).
Небольшая каменка печи может накапливать небольшой запас тепла для производства пара. Например, если в печи находится 30-40 кг камней, то подача воды в нагреватель невелика, и она охлаждает камни, что приводит к получению влажного, тяжелого пара. Мелкодисперсный пар можно получить от большого количества нагретого камня.
Время нагрева помещения (при условии правильной теплоизоляции) 60 - 90 мин.
Время нагрева помещения (при условии правильной теплоизоляции) 60 - 90 мин.
![]()
Разъем для установки теплообменника
Универсальность модели позволяет в любой момент установить на печь элементы для нагрева воды (теплообменник) с требуемой стороны.
Модели Каменка могут дополняться теплообменником.
Парение в русской паровой бане: температура 50 - 65 °С, высокая влажность, генерация большого количества мелкодисперсного пара.
Комбинированные режимы благодаря конструкционным особенностям: и финская сауна, и русская баня.
Отличительные особенности печей Варвара Каменка
Сетка-каменка
Каменка имеет вместимость до 80 кг. в зависимости от комплектации печи и фракции камня.
Камера дожига
Камера дожига расположена сразу за топкой и служит для полного сгорания дымовых газов. Система дымоотвода продуктов горения.
Эффективность горения
Скошенные углы топливного канала дают возможность полноценного прогорания дров и скатывания золы сразу в зольный ящик.
Теплообменник
Печь имеет стационарные отверстия для теплообменника с возможностью его установки в любой момент.
Панорамная или чугунная дверца
Дверь топки Варвара Паленица изготавливаются в двух модификациях: глухая чугунная и стальная дверь с панорамным жаростойким стеклом.
Сталь 6 мм
Общий вес печи, в зависимости от комплектации, может достигать веса до 130 кг.
Зольник
Служит для удаления золы и регулирует интенсивность сгорания дров с помощью воздушного потока, поступающего в топку через чугунные колосники.
Выбор рабочего выноса топливного канала
Топка с рабочим выносом топливного канала (в зависимости от комплектации). Возможность использования дров длиной до 700 мм.
Печь "Варвара" имеет неоспоримые преимущества перед другими печами
- в конвекционные каналы, находящиеся между печью и кожухом, снизу поступает холодный воздух. Нагреваясь от стен печи, под действием тяги, устремляется вверх и через отверстие поступает в парное помещение, тем самым, прогревая его за короткое время
- за счет циркуляции горячего воздуха, во внутреннем конвекционном канале, достигается быстрый нагрев камней
- регулировка интенсивности горения осуществляется открытием и закрытием зольного совка
Быстрый нагрев парилки и камней
- в конвекционные каналы, находящиеся между печью и кожухом, снизу поступает холодный воздух. Нагреваясь от стен печи, под действием тяги, устремляется вверх и через отверстие поступает в парное помещение, тем самым, прогревая его за короткое время
- за счет циркуляции горячего воздуха, во внутреннем конвекционном канале, достигается быстрый нагрев камней
- регулировка интенсивности горения осуществляется открытием и закрытием зольного совка
Быстрый нагрев парилки и камней
- корпус печи - конструкционная сталь толщиной 6 мм, что позволяет достичь длительного срока службы
- печь обладает высокой экономичностью и высокой теплоотдачей. За счет сложного дымохода (длина дымового канала 1260 мм), пламя находящееся в печи, в течении продолжительного времени нагревает ее до более высокой температуры
- камера вторичного дожига повышает эффективность сгорания используемого топлива, тем самым, увеличивая КПД печи
- при модернизации технологии производства сварочные швы были заменены на цельно-загнутые детали, что привело к улучшению прочности каркаса печи
- сводчатый верх топочной камеры обеспечивает равномерный прогрев всех зон печи и наилучшее поступление горячего воздуха к каменке внутри печи
Долговечность и эффективность
- корпус печи - конструкционная сталь толщиной 6 мм, что позволяет достичь длительного срока службы
- печь обладает высокой экономичностью и высокой теплоотдачей. За счет сложного дымохода (длина дымового канала 1260 мм), пламя находящееся в печи, в течении продолжительного времени нагревает ее до более высокой температуры
- камера вторичного дожига повышает эффективность сгорания используемого топлива, тем самым, увеличивая КПД печи
- при модернизации технологии производства сварочные швы были заменены на цельно-загнутые детали, что привело к улучшению прочности каркаса печи
- сводчатый верх топочной камеры обеспечивает равномерный прогрев всех зон печи и наилучшее поступление горячего воздуха к каменке внутри печи
Долговечность и эффективность
Панорамная дверца со стеклом
Дверь с большим панорамным жаропрочным стеклом позволяет насладиться красочной игрой огня.
(!) панорамное стекло включено в комплектацию.Модификации и опции печи Каменка
Печь имеет 8 различных модификаций с различными выносами топки и топочными дверьми.
- Вынос топки. Для удобства печи Варвара выпускаются с 2 модификациями выноса топливного канала.
✔ Модификация "Стандартная топка" - с максимальной укороченным "впритык" топочным тонелем для небольших парных когда нет возможности топить из предбанника.
✔ Модификация "Удлиненная топка" - с удлиненным топочным тонелем для топки из предбанника. Позволяет сохранить чистоту в парильном помещении во время протопки печи. - Сторона установка. Для удобства печи Варвара Бермуда выпускаются с 2 модификациями установки - в левом или в правом углу помещения.
✔ Модификация "Левая" - устанавливается в левом углу парной.
✔ Модификация "Правая" - устанавливается в правом углу парной. - Панорамная дверь. Модели Варвара Бермуда изготавливаются в двух модификациях дверей топочных камер: глухая чугунная и стальная дверь (сталь 4 мм) с панорамным жаростойким стеклом.
✔ Модификация "Панорамная дверь" - с большим жаропрочным стеклом позволяет насладиться красочной игрой огня. - Теплообменник. Модели Варвара комплектуются разъемом для подключения теплообменника.
✔ Комплектация "с теплообменником" - с правым или левым расположением, который осуществляет нагрев воды в баке находящемся на значительном расстоянии от печи. Теплообменник находится непосредственно в топке печи и имеет прямой контакт с огнем, что позволяет ему за короткое время нагревать воду в баке.
Топка и зольный ящик изготовлены из стального проката, усиленные в участках подверженных наибольшей деформации гибкой. Рядом с отсеком для закладки камня находится патрубок для подключения дымохода.
На дне топки установлена чугунная колосниковая решетка. Сквозь пластины решетки зола попадает в зольный ящик, который позволяется легко произвести очистку печи, не прерывая процесс горения. Зольный ящик, также используется для регулировки интенсивности горения внутри печи.
Одни из самых тяжелых печей из металла благодаря использованию 6-ти мм стали во всех элементах конструкции. В пересчете стоимости за кг изделия печи Варвара одни из самых дешевых на рынке банных печей. При этом надо отметить, что внешний вид и надежность не сопоставимы с низкой ценой, что и явилось залогом успеха и признанием покупателей.









